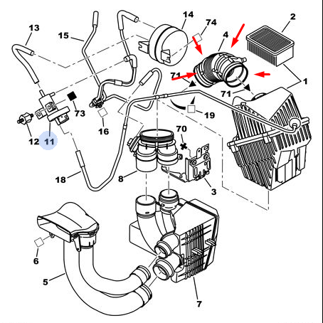
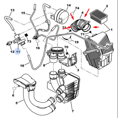
ORİJİNAL HAVA FİLTRE HORTUMU( SİPARİŞE KAPALI) 143437

Fiyat:
3.343,34 TL
İndirimli Fiyat (%29) :
2.373,58 TL
Kazancınız 969,75 TL
Geçici olarak temin edilememektedir. Temin edildiğinde

Bu ürünün yerine tercih edebileceğiniz ürünler

PEUGEOT 307 ARKA FREN BALATA TAKIM YAYLI
1.501,27 TL
961,32 TL
%36
PEUGEOT SİGORTA KUTUSU KAPAĞI 6500CC
3.002,54 TL
1.880,85 TL
%37,4
PEUGEOT SİGORTA KUTU ÜST KAPAĞI 6500CA
1.751,48 TL
919,53 TL
%47,5
307 YEDEKPARCA MAĞAZAMIZDA SATIŞI SERGİLENEN


ORİJİNAL MARKA ; PEUGEOT OTOMOTİV ( PSA )
ARACILIĞI İLE TÜM TÜRKİYEDE  DİSTRİGO DAĞITIM KANALLARIYLA SATIŞA SUNULAN ORİJİNAL YEDEKPARÇADIR.

ÜRÜNLER PSA BARKODLU ÜRÜNLERDİR.

PEUGEOT DİSTRİGO DAĞITIM ŞİRKETLERİNDEN  TEMİN EDİLEREK SATIŞA SUNULUR.

AFTERMARKET ; MAĞAZAMIZDA SERGİLENEN  DİĞER MARKALAR TÜRKİYENİN EN BÜYÜK TEDARİK FİRMALARI TARAFINDAN TEMİN EDİLİP SİZLERE SUNULUR 

ARBEY SANAL  MAĞAZA
PEUGEOT 307 YEDEKPARCA SATICIS
I
2001'den bu zamana ...
-------------------------------------------------------------------------------------
www.307yedekparca.com
Daha fazla bilgi için bizi ulaşabilirsiniz.
0545 311 0 312
#PEUGEOT #PEUGEOT307 #307YEDEKPARCA #ANKARAYEDEKPARCA #PEUEGOTTURKİYE #TURKİYE307 #307PEUGEOT #YEDEKPARCA307 #307TÜRKİYE  u
#VALEO #SACHS #PSA #INA #SKF #RAPRO #FEBI #LUK #BRAXIS #MONROE #DEPO #MOTUL #EUROREPAR #TOTAL #RAPRO #TRW #DELPHI
#peugeot307 #peugeottürkiye #psatürkiye #oemyedekparca  #307yedekparca #stellantis #ankarayedekparca #307ankara #307istanbul #izmir307 #peugeot307turkey #307clup #indirim #307bakimseti #307amortisör #307debriyaj #307triger #307far #307 tampon #307aksesuar #307jant
Diğer Özellikler
Stok Kodu1434.37
MarkaORİJİNAL
Stok DurumuTedarik süresi için bize ulaşır mısınız?
1434.37

Ürün Etiketleri

PlatinMarket® E-Ticaret Sistemi İle Hazırlanmıştır.